- 手機:
- 137 6026 2620
- 經理:
- 何經理
- 郵箱:
- jesion.he@ac-led.com.cn
- 地址:
- 深圳市光明區公明街道上村上輦工業區5棟3樓
產品概述可控硅及開關調光、調色芯片規格書
球泡燈,日光燈,筒燈,吸頂燈,燈條
一、特點?
1、同時兼容可控硅調光及墻壁開關調節色溫和亮度功能
2、輸出電流可調1-60MA,恒流精度可達±5%
3、具有過溫保護功能,無EMC問題
4、芯片與PCB共用鋁基板
5、線路簡單,成本低
6、ESOP8封裝
二、概述? ? ? ? ? ? ? ? ? ? ? ? ? ? ? ? ? ? ? ? ? ? ? ? ? ? ? ? ? ??
HX2088是一款可調節色溫和亮度的線性恒流IC,輸出電流可調,恒流精度高,應用方案簡單,具有過溫保護功能,更安全更可靠。
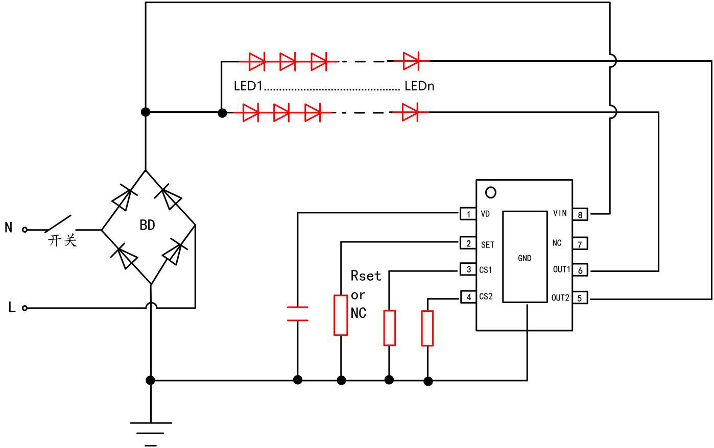
高PF無電解開關調色原理圖
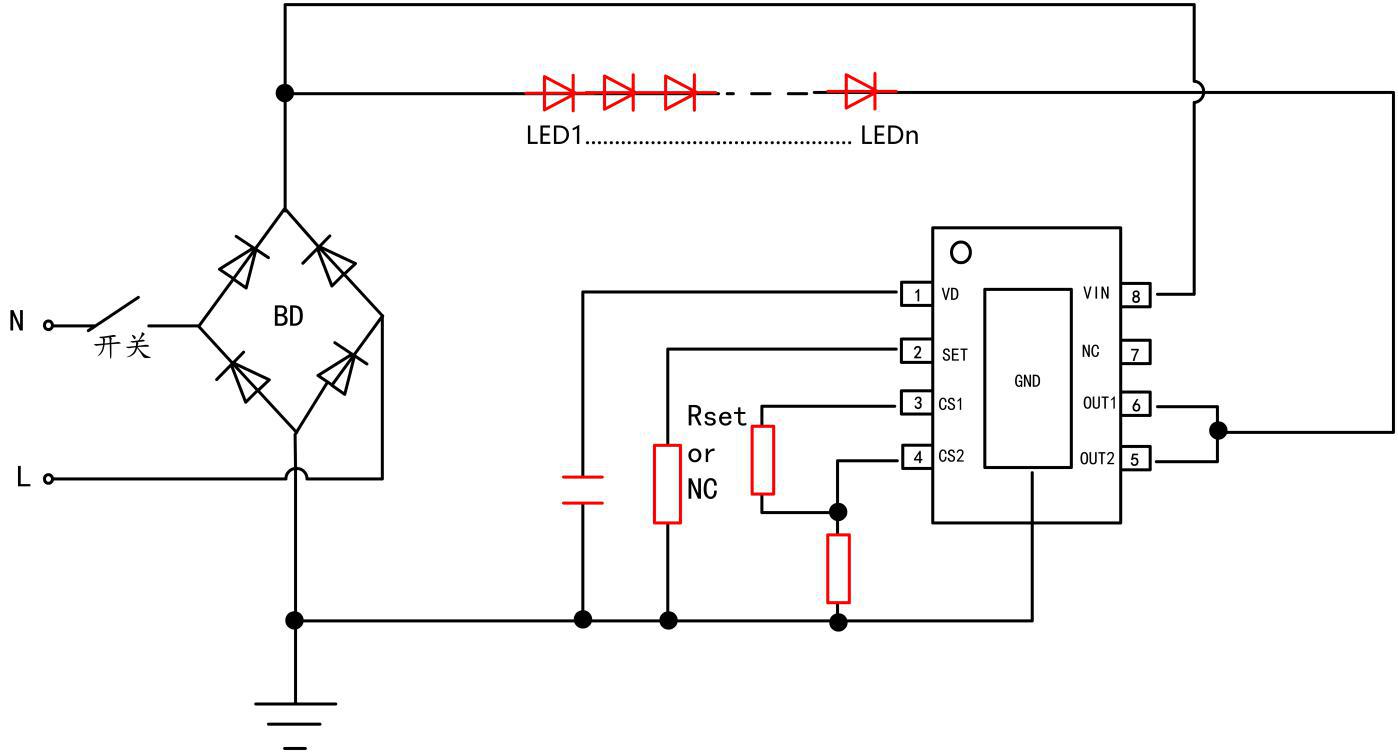
高PF無電解開關調光原理圖
六、極限參數 ???????????????????????????????????????????????????????
如無特殊說明,環境溫度為25℃
|
特殊參數 |
符號 |
范圍 |
|
OUT端口電壓 |
VOUT |
-0.5 - 500v |
|
OUT端口電流 |
IOUT |
1 - 60mA |
|
工作溫度 |
TOPT |
-40 - +120℃ |
|
存儲溫度 |
TSTG |
-50 - +150℃ |
|
ESD耐壓 |
VESD |
2KV |
七、器件工作參數 ???????????????????????????????????????????????????????
如無特殊說明,環境溫度為25℃
|
參數 |
條件 |
最小值 |
典型值 |
最大值 |
單位 |
|
端口耐壓 |
Iout=0 |
500 |
- |
- |
V |
|
輸出電流 |
- |
1 |
- |
60 |
mA |
|
靜態電流 |
Vout=30v,CS懸空 |
- |
0.11 |
- |
mA |
|
Vcc-on |
Vcc啟動電壓 |
? |
6.5 |
? |
V |
|
Vcc-off |
Vcc欠壓保護閥值 |
? |
5.5 |
? |
V |
|
Iset |
模式選擇電流 |
? |
30 |
? |
uA |
|
CS端口電壓 |
Vin=30v,Vout1=10v,Vout2=10v |
- |
0.6/0.3 |
- |
V |
|
Iout誤差 |
Iout=20mA |
? |
±5% |
? |
% |
|
溫度補償點Tsc |
- |
? |
140 |
? |
℃ |
八、功能描述 ????????????????????????????????????????????????????
HX2088是一款開關調節亮度和色溫的LED恒流驅動芯片,集成了高壓MOS管和JEFT高壓供電功能,主要用于高壓線性恒流方案。
1、供電
???在系統上電后,VIN通過內部高壓JEFT給芯片供電,當VCC的電壓超過7V之后芯片開始工作。
2、調色模式
???HX2088可以通過SET腳設置開關調色模式如下表:
|
SET |
狀態切換順序 |
LED電流切換順序 |
|
懸空 |
OUT2→OUT1+OUT2→OUT1→OUT2 |
0.6/RS2→0.3/RS1+0.3/RS2→0.6/RS1→0.6/RS2 |
|
接地 |
OUT2→OUT1→OUT2 |
0.6/RS2→0.6/RS1→0.6/RS2 |
|
接電阻75K |
OUT2→OUT1→OUT1+OUT2→OUT2 |
0.6/RS2→0.6/RS1→0.3/RS1+0.3/RS2→0.6/RS2 |
|
OUT2: ?OUT2開啟,以0.6V基準恒流; OUT1+OUT2: OUT1,OUT2開啟,以0.3V基準恒流; OUT1: OUT1開啟,以0.6V基準恒流。 |
||
3、調光模式
???HX2088可以通過SET腳設置開關調光模式如下表:
|
SET |
狀態切換順序 |
LED電流切換順序 |
|
懸空 |
100%→50%→X% |
0.6/RS2→0.3/RS2→0.6/(RS1+RS2) |
|
接地 |
100%→X% |
0.6/RS2→0.6/(RS1+RS2) |
|
接電阻75K |
100%→X%→50% |
0.6/RS2→0.6/(RS1+RS2)→0.3/RS2 |
|
OUT2: OUT2開啟,以0.6V基準恒流; OUT1+OUT2: OUT1,OUT2開啟,以0.3V基準恒流 OUT1: OUT1開啟,以0.6V基準恒流 |
||
?
4、系統開關切換和系統復位時間
HX2088系統方案的開關時間和復位時間均由芯片VCC端口的電容容量決定的,建議取值2.2UF,耐壓選取16V即可,系統切換時間在15-20mS之間,系統復位時間在5S左右,客戶也可以根據實際情況調整電容的容值大小。
上一條 : HX1010C單路恒功率高壓線性恒流IC
下一條 : DB5200BZ高PF無頻閃可控硅調光IC

