聯系我們 contact us
0755-23500973
- 手機:
- 137 6026 2620
- 經理:
- 何經理
- 郵箱:
- jesion.he@ac-led.com.cn
- 地址:
- 深圳市光明區公明街道上村上輦工業區5棟3樓
UV深紫光殺菌消毒恒流驅動IC
作者:華芯 來源:本站 發表時間:2020-03-31 16:24:03 瀏覽:次
DC12V/DC24V UV紫光恒流設計
UV恒流驅動器
◆外圍簡單、恒流精度高。
◆無EMI問題,輕松過認證。
◆體積小、使用方便。
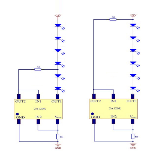
小電流UV驅動HX212-2A120R

鋰電供電,先升壓,后分布式恒流設計:
鋰電供電,先升壓,后分布式恒流設計:
后分布式恒流設計,單個燈分別控制:

分布式恒流設計優點:
每路UV燈單獨控制電流,每路電流穩定,任何一路故障,不影響其它燈工作,是恒流電路中最穩 定恒流設計架構!!!
大電流UV驅動HX303
上一條 : DC48V電動車燈恒流驅動IC應用
下一條 : 低壓燈條軟燈帶R90恒流驅動IC