聯系我們 contact us
0755-23500973
- 手機:
- 137 6026 2620
- 經理:
- 何經理
- 郵箱:
- jesion.he@ac-led.com.cn
- 地址:
- 深圳市光明區公明街道上村上輦工業區5棟3樓
解決燈帶恒流芯片痛點—R90恒流芯片
作者: 來源:本站 發表時間:2021-10-15 09:26:32 瀏覽:次
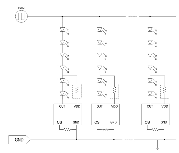
解決燈帶恒流芯片痛點—— R90 恒流驅動器
◆燈帶調光平滑、無噪聲、不閃爍。(解決燈帶調光問題 )
◆SOT23大封裝,導熱、散熱好,機械應力大,軟板無折斷。(解決軟板IC折斷問題)
◆不加電容、無熱拔插問題、多芯共用無諧振問題 。(解決電壓波動燒壞問題 )
◆溫控保護,當燈具溫度升高時,IC啟動溫度保護功能,降低燈具溫度。(解決高溫應用保護問題)
◆外圍電路簡單、超穩定,“超高性價比!” (解決推廣成本問題)
◆備貨足,性價比高,供貨快!快!快!
◆已經過多客戶、大批量的長時間使用(3年以上)應用驗證,可靠性有保障。(可靠性有保障)
PWM DIMMER
